VİTLO CRS
VİTLO CRS
Tek Emişli Radyal Fanlar
Genel Özellikler
•  50.000m3/h kapasiteye kadar üretimi yapılabilmektedir.
•  Maksimum verimlilikte radyal geriye eğik kanatlara sahiptir.
•  Gövde sert çelikten imal edilmekte ve standart olarak elektrostatik toz boya ile kaplanmaktadır.
•  Yağmur suyu ve kar gibi etkenlere karşı dayanımlıdır. Dış ortam şartlarında çalışmaya uygundur.
•  Motor hava akımı dışındadır ve 120°C daimi çalışabilir.
•  -20°C/+120°C sıcaklık aralığında çalışmaya uygundur.
Motor
•  IP 55 korumalı, IE2/3 yüksek verimli kendinden yağlanan rulmanlı tam kapalı tipte, F izolasyon sınıfındadır.
•  Standart olarak 400V-50Hz‘dir ve frekans konvertörü ile kullanıma uygundur.
Kullanım Alanları
•  Genel mahal havalandırmaları
•  Endüstriyel mutfak davlumbaz egzoz sistemleri
•  Yoğun yağlı ve yüksek sıcaklık içeren üretim prosesleri

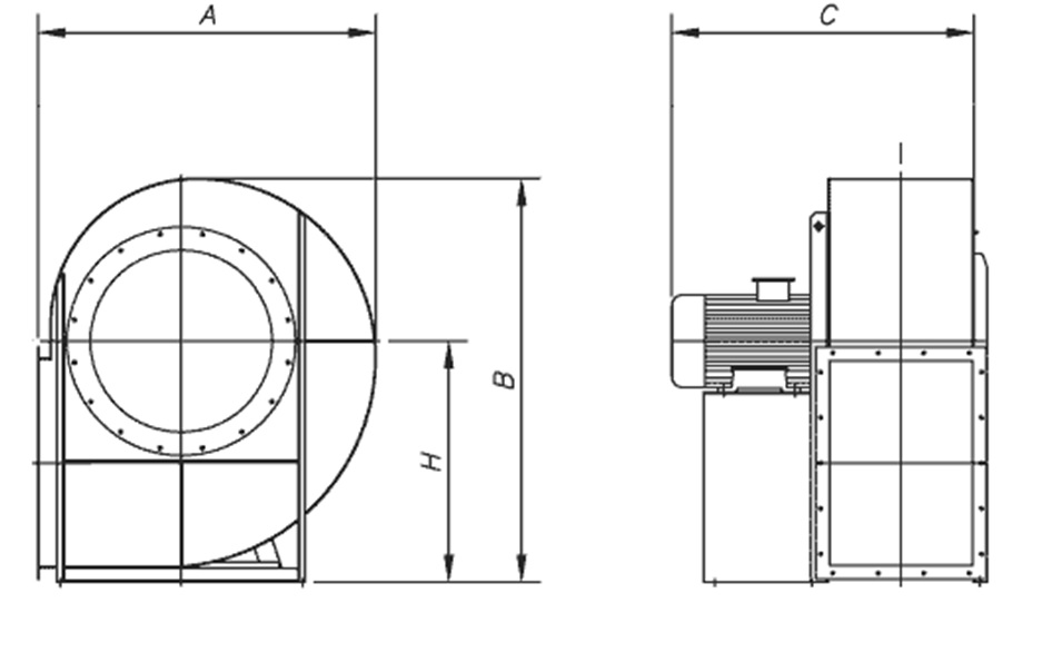
| MODEL | A | B | C | H | 
| CRS 31-4T | 550 | 650 | 500 | 380 | 
| CRS 35-4T | 650 | 750 | 500 | 420 | 
| CRS 40-4T | 680 | 800 | 590 | 480 | 
| CRS 45-4T | 800 | 900 | 650 | 540 | 
| CRS 50-4T | 850 | 1000 | 765 | 600 | 
| CRS 56-4T | 1000 | 1100 | 795 | 650 | 
| CRS 63-4T | 1100 | 1200 | 950 | 750 | 
| CRS 71-4T | 1300 | 1400 | 1100 | 850 | 
 
            
        

